American Wheatley Recaps
Our Year in Review
Every year presents new opportunities, challenges, and changes. We at American Wheatley welcome them all. As 2025 begins, we want to take the time to reflect on what 2024 had to offer and the exciting possibilities that 2025 brings.
TRADE SHOWS & EVENTS
We kicked off 2024 at the AHR Expo in Chicago, Illinois, where we met and connected with people from various HVAC backgrounds. The show allowed us to discuss our products and services with existing and prospective customers and partners. We left with fresh perspectives and lots of swag—a perfect way to jump-start our year. We are extremely excited to build on that experience again at the 2025 AHR Expo in Orlando, FL.
CUSTOM DESIGN & FABRICATION
Within the first few months of 2024, our shop team built one of the largest projects we have attempted to date. The project was a 4000-gallon bladder expansion tank built on four 85-inch legs that stood over 22 feet tall. Along with the tank, our team built a custom, attached ladder and platform to allow for easy access and inspections. It took the careful teamwork of our Sales, Engineering, Purchasing, and Production teams to make this custom vision a reality. This project gave us the chance to be creative, develop new capabilities, and pinpoint the most efficient processes for completing big custom products in the future.
IMPROVEMENTS & RENOVATIONS
Our office building underwent renovations throughout the year, updating our space for our team members, partners, and customers. We repainted, replaced countertops, installed sleek, new furniture, and knocked down walls to expand some of our office spaces. For décor, we hung pictures of our products and production processes along the hallways and in our conference rooms. We are very happy with the office transformation, which wrapped up mid-year. In addition, we are making ongoing improvements to our shop facility in 2025, including new paint, equipment, and layout modifications—all to improve safety, quality, and efficiency.
OPERATIONAL EFFICIENCIES
In early September 2024, we added a second shift to increase our production capacity and enable us to build your products outside normal working hours. The seamless transition of work from the day shift to the night shift ensures that your products are moving through the system much faster. Our goal is to serve our customers well, and over time, we believe that this addition will allow for shortened lead times and more accessibility to stocked products.
AMERICAN WHEATLEY LOOKING AHEAD
These are just some of the highlights of our 2024. Every day brought us the opportunity to improve and grow both professionally and personally. We are grateful for our customers and partners who have consistently put their trust in our services and products. We look forward to all that will come in 2025, and we will strive to remain a reliable choice for your HVAC products.
Kickstart your 2025 with American Wheatley by contacting us today for your HVAC needs. We look forward to serving you!
Beyond the Phone:
The American Wheatley Inside Sales Team
Why is the president of American Wheatley not offended when people at trade shows ignore his outstretched hand and rush to meet the inside sales team beside him? It’s because he knows they are the lifeblood of the business.
American Wheatley’s inside sales team—composed of Shell, Ryan, and Nic—has over 40 years of collective experience in customer service. Though each of them brings their own personality and flare to the table, the baseline of American Wheatley customer service remains the same; our customers are our top priority.
A Day in the Life of Our Inside Sales Team
An average day for our inside sales team involves a busy yet focused routine of responding to customer emails and phone calls regarding everything from triple-duty valves to air receivers, to bladder expansion tanks. They are prepared to assist you in any way possible from when they arrive at their desks. Their wide range of knowledge allows them to address any questions regarding American Wheatley products and guide you in selecting the best options for your HVAC system. They can troubleshoot installation challenges or obstacles you may encounter in your system. In addition, when a customer has specific needs, our sales team collaborates closely with our engineering team to tailor our standard tanks to meet those requirements.
At American Wheatley, our inside sales team advocates for our customers, ensuring you get the answers you need, even if they don’t have the answers on hand. They keep track of your orders, implement requested changes, and follow up with production to guarantee prompt delivery. Throughout the day, their goal is to stay readily available to you by phone and email, so if any issues arise, you have plenty of time to contact them for answers.
Consistency Amid Change
Our inside sales team’s commitment to customers has remained consistent throughout the company and nationwide changes. They hold themselves to a high standard of delivering quality service to everyone they encounter. Not only do they work diligently to get back to customers in an efficient manner, but they address all aspects of your question, so you receive clear and thorough answers.
Whether you have worked with American Wheatley before or are reaching out to us for the first time to inquire about our product catalog, our team is excited to connect with you and help you find what you need.
An American Wheatley Cornerstone
For years, exceptional customer service has been a cornerstone of American Wheatley. Shell, Nic, and Ryan’s attention to each individual customer never falters, and they continue to show up for customers with positive attitudes every day. Our inside sales team will remain steadfast in getting your answers, processing your requests, and advocating for you as a valued customer.
Contact our expert sales team today to find the perfect solution for your HVAC system. We would love to hear from you!
Which is Better for HVAC Systems
Carbon Steel vs. Stainless Steel
With our expertise in various HVAC products, from bladder expansion tanks to fabricated flow diverters, American Wheatley is a trusted source for material selection. We use two common metals—carbon steel and stainless steel, in our HVAC applications, and we understand the importance of choosing the suitable material for your specific system’s application and performance goals. This blog delves into the properties of each metal, providing you with the knowledge you need to make an informed decision.
Carbon Steel
Carbon steel is a standard option for many HVAC systems due to its excellent structural integrity, making it durable under various mechanical pressures. Additionally, it is lighter than other materials, often making it easier to maneuver and install. Given its high thermal conductivity, carbon steel adjusts quickly to temperature changes and effectively maintains elevated temperatures. It is also easily accessible and less expensive, making it optimal for projects with time or budget constraints. However, carbon steel requires more maintenance, and exposure to certain elements can cause corrosion or rust. So, if it is not maintained correctly, carbon steel has a shortened lifespan.
Stainless Steel
Stainless steel, another standard selection for HVAC systems, offers versatility in various applications. At American Wheatley, we offer two types of stainless steel for our hydronic components: Type 304 and Type 316, each with slight differences in chemical composition but similar performance. While not as physically durable as carbon steel, stainless steel still provides plenty of strength and reliability in HVAC systems. Its high corrosion resistance and suitability for potable water, hydronic, and indoor and outdoor environments make it a reassuring choice for your HVAC needs.
Fabrication Process
When a fabrication shop uses carbon and stainless steel, it is crucial to maintain the integrity of stainless steel by changing out all the tools (grinders, wires, brushes, etc.) when switching between materials. This practice prevents remaining carbon steel particles from embedding into the stainless steel, which can cause it to rust. This is important because any rust or corrosion in the system can lead to performance issues and potentially costly repairs. American Wheatley sends stainless steel tanks out for bead blasting—a surface treatment that eliminates contaminants and gives the tank a smoother aesthetic. This ensures that the stainless steel composition will remain unblemished.
Partner with American Wheatley
Both carbon steel and stainless steel are great options for your HVAC system. However, your best choice depends on your specific system’s needs and performance goals. If you need assistance figuring out where to start, American Wheatley is here to help.
Call us at (918) 317-0401, and our knowledgeable customer service team will guide you in making the most beneficial and efficient choice for your HVAC system.
Why Quality in HVAC Fabrication and Accessories Matters
In the realm of HVAC fabrication and air receiver solutions, there exists a critical choice that every industry professional must make: prioritizing price or investing in quality. While budget constraints may tempt us to opt for more affordable options, it is imperative to recognize the long-term benefits of choosing superior-quality products. American Wheatley, renowned for its meticulously fabricated tanks and top-notch accessories and hardware products, embodies an unparalleled commitment to excellence in the industry and dives into the importance of investing in high-quality HVAC fabricated products and accessories.
The Craftsmanship that Sets American Wheatley Apart
American Wheatley has been a beacon of quality in the HVAC industry for decades. Our fabrication process is nothing short of an art form where precision and expertise converge to create products built to last. Each tank and accessory undergoes rigorous quality checks to meet and exceed industry standards. This unwavering dedication to craftsmanship translates into HVAC solutions that are not only reliable but also capable of withstanding the test of time.
Superior Materials for Superior Performance
One of the cornerstones of American Wheatley’s success lies in its commitment to using only the highest quality materials. Whether stainless steel for tanks or accessories, every component is carefully selected to ensure optimal performance. This meticulous material selection process translates into products resistant to corrosion, capable of withstanding extreme temperatures and designed to maintain structural integrity under the harshest conditions.
Reliability that Transcends Expectations
In the world of HVAC, downtime can be a costly affair. Choosing products prone to frequent breakdowns or premature wear and tear is a risk that no industry professional can afford. American Wheatley’s tanks and accessories are engineered with reliability at the forefront. By investing in American Wheatley, you’re not just purchasing a product; you’re securing a solution that will operate seamlessly, day in and day out, providing peace of mind for years to come.
Uncompromising Safety Standards
Safety is non-negotiable at American Wheatley. Poorly fabricated tanks or subpar accessories can lead to catastrophic failures, endangering personnel and equipment. American Wheatley’s commitment to safety is woven into every product we offer – from tanks to accessories. Our tanks are designed to meet and exceed industry safety standards. This ensures that your quality HVAC system operates safely, protecting your investment and the well-being of those who rely on it.
Cost-Efficiency in the Long Run
While it’s true that quality products may come with a higher upfront cost, the long-term savings they offer are undeniable. American Wheatley’s tanks and accessories are engineered for longevity, reducing the need for frequent replacements or repairs. This translates into substantial cost savings over the lifespan of the HVAC system. Moreover, our products often outperform cheaper alternatives regarding energy efficiency, further bolstering your bottom line.
Elevating Your HVAC System with American Wheatley
Ultimately, deciding to prioritize quality over price is an investment in the future success of your operation. With American Wheatley, you’re not just making a purchase; you’re making a statement about your dedication to excellence in HVAC solutions. Elevate your HVAC system with American Wheatley and experience the unparalleled difference that quality in HVAC makes.
Step-by-Step Guide to Safely Servicing an HVAC Tank
As the crisp autumn air settles in and jack-o’-lanterns illuminate the night, the season brings bone-chilling fun. Ensure these are the only chills that your employees and customers experience by properly servicing your HVAC system before the weather changes.
Here at American Wheatley, we understand the importance of safety and will share a step-by-step guide and essential safety tips to follow when servicing an HVAC tank.
Step 1: Prepare Your Work Area
Before beginning any HVAC tank service, creating a safe and organized work environment is crucial. Follow these steps:
- Clear the area: Remove any debris, clutter, or obstacles that may impede your movement around the tank.
- Adequate lighting: Avoid things that go “bump in the night”—ensure your work area is well-lit to avoid accidents or errors caused by poor visibility.
- Ventilation: Confirm that the work area is properly ventilated to prevent the accumulation of potentially harmful gases or fumes.
Step 2: Wear Appropriate Personal Protective Equipment (PPE)
Protecting yourself is key when working with HVAC tanks. Wear the following PPE to minimize the risk of injury:
- Safety goggles: Protect your eyes from debris, chemicals, or other hazards.
- Respiratory protection: Depending on the specific task and the potential for exposure to harmful gases or particulates, wear appropriate respiratory protection such as a mask or respirator.
- Gloves: Use gloves suitable for the job. For example, choose chemical-resistant or insulated gloves when working with electrical components.
- Protective clothing: Wear clothing that covers your skin and is resistant to chemicals, sparks, or other potential hazards.
Step 3: Follow Proper Lockout/Tagout Procedures
Lockout/tagout procedures are essential for ensuring the safety of both the technician and others who may come into contact with the equipment. Follow these guidelines:
- Shut off power sources: Identify and disconnect all power sources from the HVAC tank before beginning any service or maintenance work.
- Lock and tag the equipment: Use lockout devices and tags to prevent the accidental re-energization of the equipment. Mark the locked-out equipment with warning signs.
Step 4: Handle Hazardous Substances with Care
HVAC tank servicing may involve dealing with hazardous substances, such as refrigerants. Here are some precautions to take:
- Chemical storage and handling: Store chemicals in designated areas, following the manufacturer’s instructions. Use appropriate containers and ensure proper labeling.
- Spill response plan: Establish a spill response plan in case of accidental spills or leaks. Have absorbent materials and neutralizing agents readily available.
- Proper disposal: Dispose of hazardous materials and waste in accordance with local regulations. Do not pour chemicals down drains or into the environment.
Step 5: Follow Routine Maintenance
Maintain equipment and tools by routine regular maintenance, which is crucial for safe operation. Follow these maintenance practices:
- Regular inspections: Conduct routine inspections to identify and address any signs of wear, damage, or malfunction in your equipment.
- Proper tool usage: Use tools and equipment according to their intended purpose. Inspect tools for damage before use and replace any worn or defective tools.
Following these step-by-step guidelines and adhering to safety precautions, servicing an HVAC tank doesn’t have to be a source of fear or apprehension. Ensure a safe working environment, wear appropriate PPE, follow lockout/tagout procedures, handle hazardous substances carefully, and maintain your equipment and tools.
Above all, remember that safety is paramount in the HVAC manufacturing industry. If you have any questions, reach out to the trusted experts at American Wheatley or click below to view our products.
Unleash the Pressure of Hydronic HVAC Fabrication Products
Your business is unique, making finding the right products for your specific heating and cooling requirements a challenging task.
At American Wheatley, we designed our business to serve yours. Known for our dedication to quality, integrity, and precision, our state-of-the-art facility houses a dedicated fabrication shop that customizes solutions for your system. In this facility, we combine skill, experience, and automation to design and manufacture top-of-the-line products tailored to your precise specifications.
Here are five reasons to work with American Wheatley for your HVAC fabrication needs.
Unparalleled Expertise and Facilities:
American Wheatley has a cutting-edge, 55,000-square-foot manufacturing facility with a dedicated fabrication shop at your disposal. Within this space, a combination of skilled artisans and advanced automation techniques work perfectly to produce solutions that fuel your day-to-day operations. Our engineers can design a tank that meets your system volume needs while ensuring it fits into the available space footprint.
Whatever custom components you may need, American Wheatley’s team ensures that every step of the fabrication process is meticulously executed—from conceptualization to completion—resulting in products of unparalleled quality and precision.
Versatile and Durable Fabricated Products:
American Wheatley understands the diverse needs of various industries and offers a wide range of products to cater to all project requirements. Our fabricated products include tanks, air separators, valves, and more, constructed in accordance with ASME Section VIII, Division I, latest edition.
Whether you’re working on a commercial, industrial, or residential project, American Wheatley has the perfect solution to meet your hydronic HVAC needs.
Superior Materials for Superior Performance:
American Wheatley uses only high-quality materials in their fabrication process to guarantee long-lasting performance. Each component, from carbon steel to stainless steel, is carefully selected based on your business’s unique needs. We offer safe products for domestic water applications, including NSF-compliant bladders and 304SS construction.
By incorporating these top-grade materials, American Wheatley’s fabrication products maintain their integrity even in the most demanding environments.
Meeting the Highest Quality Standards:
American Wheatley understands the importance of adhering to industry standards. That’s why many of our fabricated products proudly bear the ASME (American Society of Mechanical Engineers) stamp, a symbol of meeting the highest quality and safety standards. This stamp assures customers that American Wheatley’s products have undergone rigorous testing and inspections to ensure their performance, reliability, and compliance with industry regulations.
Stringent Quality Control Measures:
Quality control is a top priority at American Wheatley. Every product we create undergoes comprehensive testing to meet and exceed industry standards. Our rigorous quality control measures guarantee the performance and reliability of our fabrication products.
Rest assured that your hydronic HVAC system will operate flawlessly, providing optimal comfort, efficiency, and safety.
American Wheatley ensures its fabricated products exceed expectations by using high-quality materials, adhering to the highest standards, and implementing stringent quality control measures. When you choose American Wheatley for your hydronic HVAC needs, you’re choosing reliability, versatility, and uncompromising quality.
Experience the power of American Wheatley’s hydronic HVAC fabrication products and elevate your projects to new heights. Explore the products we have to offer today!
Three Ways Labor Day Continues to Improve HVAC Manufacturing
American labor is the backbone of our nation. Over the years, American workers have helped raise our standard of living while growing the world’s largest economy.
The Origins and Evolution of Labor Day
American labor is the backbone of our nation. Over the years, American workers have helped raise our standard of living while growing the world’s largest economy, which currently stands at $23.3 trillion GDP. However, it has not been an easy road. Workers braved long hours and dangerous conditions, banding together to fight for better wages and safe workplaces. In recognition, we now pay tribute to these hard-working men and women with an annual Labor Day celebration.
Labor Day originated in the late 19th century due to the labor movement’s efforts to advocate for better working conditions and workers’ rights. The first Labor Day was celebrated on September 5, 1882, in New York City, with a parade organized by the Central Labor Union. It became a national holiday in 1894 when President Grover Cleveland signed a law designating the first Monday in September as Labor Day.
As we at American Wheatly commemorate 141 years of Labor Day, let us reflect on the significant impact this holiday continues to have on the manufacturing of HVAC fabrication products today.
Workers’ Rights
Labor Day is significant for workers as it symbolizes their achievements and progress in securing workers’ rights. It serves as a tribute to the contributions and resilience of the American workforce throughout history. This celebration highlights the importance of fair wages and reasonable working hours.
At American Wheatley, we prioritize competitive wages and comprehensive benefits by consistently evaluating market conditions. Staying informed about industry trends, economic fluctuations, and the cost of living helps us put together a compensation package that attracts and retains top talent.
Workplace Safety and Standards
The labor movement’s advocacy for safer working conditions directly impacted the HVAC manufacturing industry. Labor Day has raised awareness about the importance of workplace safety and led to the establishment of safety regulations, standards, and inspections that safeguard HVAC workers’ well-being.
American Wheatley prioritizes our team’s safety above anything else. Some of the regulations we adhere to include:
- Personal Protective Equipment (PPE): Employees in our facilities are required to wear appropriate PPE, such as safety goggles, gloves, protective clothing, and respiratory masks, to prevent injuries and exposure to hazardous materials.
- Hazardous Material Handling: We impose strict guidelines for the handling, storage, and disposal of hazardous materials used in HVAC manufacturing, including refrigerants, chemicals, and cleaning agents, to minimize the risk of accidents.
- Electrical Safety: Regulations pertaining to electrical safety are enforced to protect workers from electrical hazards, including electrical shock and fires, by ensuring proper installation, maintenance, and regular inspection of electrical equipment.
- Fire Safety: Our manufacturing facilities have fire safety protocols, including fire extinguisher placement, evacuation plans, and fire suppression systems, to promptly respond to and contain fires.
Training and Education Initiatives
In recognition of Labor Day, various organizations have supported training and education programs in the HVAC industry. These initiatives have helped enhance the skills and knowledge of workers, ensuring a highly trained and competent workforce in the manufacturing sector.
While we strive for excellence in our work, American Wheatley focuses on providing our employees with meaningful personal and professional development opportunities. As we help our customers grow their HVAC businesses, we help our employees grow in the process.
This Labor Day, we extend our deepest appreciation for our teams’ extraordinary commitment, passion, and unwavering dedication. They are the heart and soul of our organization, and we are proud to have them as part of the American Wheatley team. Happy Labor Day!
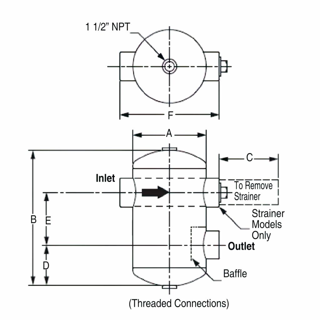
Having an air separator in your HVAC system greatly affects the system’s overall performance, especially in a chilled-water system. While air elimination is important in any ventilation setting, it is more important in the chilled-water system than in a hot-water system because the cold-water unit can hold more air inside the tank.
Air separation is a common term when discussing HVAC equipment. There is a wide variety of Air Separators, and there are several uses depending on your needs.
While Dissolved Air Flotation (DAF) is necessary even in a ventilation system with manual vents, it is still very important to consider having an air separator because no hydronic system is airtight. Otherwise, the constant air/water mixture being pumped will dramatically decrease heat transfer efficiencies. A proper air separator also decreases oxygen exposure which is important because oxygen causes a large amount of corrosion that will contaminate the system.
What are the HVAC Air Separator options?
Some options for air separation units are:
- Tangential Air Separators
- In-Line Air Separators
- Sediment-Removal Separators
- Air & Dirt Separators
- Air Purgers or Air Scoops
Along with the outlined air separators, there are also options available for these units such as:
- Strainer
- Less Strainer
- MG – Magnetic Options
If you are interested in a more customized solution, please reach out to us regarding custom fabrication.
How do these Air Separators work?
Each air separator has its own method for air elimination. Below, we describe the outlined options listed above.
Tangential Air Separators
The Tangential Air Separator design provides air-free fluid flow which protects against damage and system noise. This unit features grooved or flanged inlet and outlet connections. The tangential design results in a smaller unit. There are higher-working pressures available for this air separator.
In-line Air Separators
Our In-line Air Separators series offers a lower-cost alternative for air separation in hydronic heating and cooling systems. The IAS/IASS series becomes a point of lower system velocity by changing the direction of flow through the device.
This lower velocity along with the change in direction allows air molecules to separate from water. Once the separation occurs, the air rises within the inline air separator. Then, it is discharged through the vent opening at the top of the vessel. This will go to either the atmosphere or an expansion tank.

Sediment Removal Separators
The Sediment Removal Separator (SRS) is a centrifugal-type sediment removal. While the design is similar to the TAS Series Air Separator, the SRS also offers the advantage of solids removal.
The tangential design allows for sediment removal through the vortex action, which forces suspended sediment to the outside of the vessel and into the bottom sump. You can then easily remove the sediment. The tangential action also creates a vortex that forces entrained air into the center and removes it through the top opening. It is then released into the atmosphere or sent to an expansion tank.
Air & Dirt Separators
The High-Velocity and STAD Standard Velocity Coalescing Air & Dirt Separator is intended for use on commercial HVAC, institutional, and industrial applications to remove entrained air and particulate from system water. This is accomplished by the use of a High-Performance saddle ring coalescing assembly internal to the separator.

Air Purgers (Air Scoops)
The Air Purger or Air Scoop operates on the premise that air rises in the piping and then into the unit. It is directed to the top opening and out of the system through an air vent or to an expansion tank. Since the proper operation of this type of air separator is also dependent on velocity, sizing this type of air separator is a function of proper flow rate. This type of air separation is best suited for residential and light commercial applications.
How to determine Air Elimination Efficiency
Need Assistance?
There are plenty of model options available at American Wheatley HVAC. If you are uncertain which of these models will work best for you or need more customization, please reach out to us. We are eager and ready to help you find the right solution for your needs!
* Our American Wheatley HVAC Brand Air Separators are constructed and stamped according to ASME Section VIII Boiler and Pressure Vessel Code requirements and National Board registered.
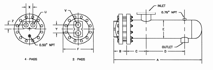
American Wheatley HVAC offers a full range of Shell & Tube and Plate & Frame heat exchangers available in sizes 4″ through 30″, manufactured in accordance with ASME Section VIII. We also offer a complete line of Plate & Frame Heat Exchangers. Whether you’re heating or cooling, these heat exchangers are dependable and powerful with or without fluid separation, American Wheatley HVAC has what you need to complete your projects.
What is a Heat Exchanger?
A heat exchanger is a device that transfers thermal heat from one medium to another. Often this device is manufactured into numerous types of Heat Exchangers such as Shell & Tube and Plate & Frame. All exchangers are an important part of assisting in cooling and heating of homes and business, but also help in machines work more efficiently.
What types of Heat Exchangers are available?
American Wheatley HVAC offers a full range of Shell & Tube and Plate & Frame heat exchangers which affords higher efficiencies, lower fouling, and modular construction that can easily be field modified. The high turbulence of a plate heat exchanger reduces fouling risks while increasing performance. An optimized PHE will be ½ the size (or less) than an equivalent shell & tube while reaching approach temperatures as low as 2°F. American Wheatley’s shell & tube exchangers range from size 4″ through 30″.
Shell and Tube
Shell &Tube Heat Exchangers consist of a large number of small tubes which are located within a cylindrical shell. These tubes are positioned into cylinders using a tube bundle that is often referred to as “tube sticks” which can either have fixed tube plates or a floating tube stack which allows the tube bundle to expand and contract with varying heat conditions.
Standard Features
- Constructed in accordance with ASME Section VIII
- U-Tube construction
- High degree of flexibility in materials to meet varying conditions
- Available in 2. 4, or 6 pass construction
- All fabrication done in-house
- National board registration
Optional Features
- Additional materials for heads, tubesheets, baffles, and tie rods
- CRN registration
- Optional saddles
- Computerized selections available through authorized HVAC representatives
Plate and Frame
Plate Heat Exchangers are operated similarly to Shell & Tube Heat Exchangers, though plates are used instead of tubes. These plates are usually blazed or gasketed depending on the application and fluids being used. This more compact and stainless steel option makes them ideal for use in refrigerants or in food and beverage processing.
Capability
- Port diameter sizes from 1″ to 20″
- Up to 20,000 GPM (4,450 m³/hr)
- Maximum pressure rating of 450 psi
- Maximum temperature rating of 374°F (190°C)
Features
- Modular frame design allows for easy plate pack modification if the working medium or thermal requirements change.
- Optimized plate corrugation ensures even flow distribution across the entire plate surface.
- Tool-less and adhesive-free gaskets for quick maintenance.
- Self-aligning plate pack geometry virtually eliminates plate pack problems even after repeated service.
How Do You Install a Heat Exchanger?
As with any installation, be sure to allow sufficient clearance at the end of the unit for removal or tub bundle. Install the unit so that the pipe connections can be made without forcing them to fit into place. Next, appropriately install the valves and by-passes to permit both the shell & tube bundle to be shut off for inspection, repairs, and cleaning. Finally, the tubing must be full of water before introducing steam or hot water into the shell, otherwise flashing or noise may occur.
Prior to start-up, all nuts should be checked to prevent leaks and blown gaskets. Open the cold side first, then gradually start the hot side, bringing unity to the operating conditions. Always remember to use caution when starting up the heat exchanger and to slowly start up the device to avoid temperature shock to the device.
Need Further Information?
We, at American Wheatley, offer a wide range of options for Heat Exchangers for various usages. Don’t hesitate to contact us for any questions you may have as we are happy to help find the right solution for you!
Contact Us Today!
American Wheatley HVAC BDT Multi-Purpose Bladder Expansion tanks are pre-charged bladder expansion tanks constructed to the latest ASME standards.
They are designed for the storage of potable water for pressure boost systems, as well as typical cooling/heating applications. The system’s expanded water is constrained in a heavy-duty bladder preventing tank corrosion and waterlogging problems.
The factory set pre-charge for these tanks is 12 PSIG. The BDT Multi-Purpose Bladder tank is suitable for potable water applications.
What does a Multi-Purpose Bladder Tank do?
Designed to absorb the expansion of fluids in typical hydronic systems, the BDT Multi-Purpose Bladder Expansion Tank is used in pressure-boost systems as well as the typical cooling and heating applications.
Bladder material is suitable for hot water applications. Installation of the tank will help eliminate constant pump use, prolonging pump life and unnecessary blowing of relief valves.
What are the features of a BDT Multi-Purpose Bladder Tank?
Features:
- Constructed in accordance with ASME Section VIII, Division I, Latest Edition
- Stainless steel system connection
- EPDM Bladder
- Full Acceptance Bladder Design / Replaceable
- Factory Air Charged to 12 P.S.I
- Maximum temperature 280F Intermittent
- Constructed of NSF 61 Compliant Materials
- Primed Exterior
Optional Features:
- Higher working pressure available
- Top entry
- “Bulls Eye” sight glass
- Seismic mounting (clips or legs)
- Painted Exterior, Epoxy Coatings
Is a Bladder Expansion Tank necessary?
An expansion tank is always highly recommended if you have a ‘closed-loop system’ caused by any kind of check valve or pressure regulating valve installed on your house’s water supply line.
How do Multi-Purpose Bladder Expansion Tanks work?
How do I replace a bladder in a BDT Series Bladder Tank?

1. Isolate multi-purpose bladder type expansion tank from the system. Shut off automatic fill, valve, and drain boiler to release all system pressure.
2. Bleed system air charge through air charging valve. Remove air valve core at top of the tank and discharge remaining air.
3. Disconnect tank from the system.
4. Remove the bolted bottom flange. Prior to removal, mark mating flanges in order to match up properly when reassembling.
5. Loosen and remove the retaining nut on top of the tank. For tanks 26 gallons and smaller, proceed to step 6.
6. Using the chain block and a slight twisting motion, slide the bladder out of the tank. Remove the bladder retaining bolt from the inside of the bladder.
7. Clean up any remaining water, dry out the inside of the tank and clean out any remaining dirt or foreign particles. Check the inside of the tank for any sharp edges that may cut the bladder.
8. Place bladder bot inside new bladder secured with 1/4″ All Thread Rod threaded into the top of bladder bolt. Roll up the bladder as necessary and pull through the tank with a threaded rod.
9. Secure bladder bolt to the top of the tank with retaining nut. Hand tightens at this point. For tanks 26 gallons and smaller, proceed to step 10.
10. Position the bottom neck of the bladder in the bottom of the tank opening to act as gasket sealing surface for system connection.

11. Replace the bottom flange, align the marks and tighten the bolts evenly, using a star pattern.
12. Tighten all threaded and bolt connections.
13. Using compressed air source and pressure gauge, apply 10 psi air pressure to the flange connection then relieve pressure. These actions should ensure proper positioning of the replacement bladder within the tank.
14. Reassemble the air valve at the top and seal the hanger opening.
15. Pre-charge tank to fill pressure or minimum operating pressure.
16. Using soapy water, check the air valve, retaining bolt, and nut, and bottom flange joint for leakage.
17. Reconnect the system, open the fill-valve and check the operation of the tank. Always pre-charge the tank before completing this step.
Furnished and installed and shown on planes, American Wheatley BDT series, full acceptance expansion tank. The tank shall be constructed of carbon steel in accordance with ASME Section VIII, Division 1, latest edition. The tank shall incorporate a removable and replaceable heavy-duty EODN bladder. The tank shall be supplied with a 12 psi factory air charge. Tanks shall be constructed and ASME stamped for 150 psi working pressure at 240F. Tanks shall be supplied with an exterior high-grade red oxide primer finish. Vertical or horizontal installation is acceptable. Non-replaceable diaphragm-type tanks are not acceptable.
Of course, these are just a few examples of what we have to offer. We will be more than happy to help problem-solve and find you the correct buffer tank that fits your needs. Don’t hesitate to reach out to us today for more information and other buffer tank varieties!










